Catálogo
Iniciar sesión
Regístrate
Página de inicio
Catálogo
Electrónica
Cámaras y ópticas
Video
Videovigilancia y accesorios
Accesorios para sistemas de videovigilancia
Accesorios para videovigilancia
El texto en las imágenes se puede traducir
Traducir
1 de 1
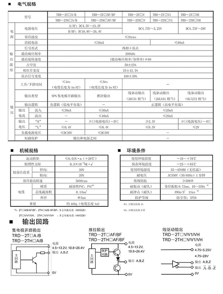
Codificador rotatorio TRD-2T1000BF 2 T360V 600 1024A 2000VH AB AF
Precio por pieza incluyendo entrega a México
Inicia sesión para ver el precio
Inicia sesión para ver el precio
Iniciar sesión
Total
Productos (0)
Entrega y impuestos
Entrega marítima, 90 días
0 piezas
Ver precio mayorista
Iniciar sesión