Este enlace es para tornillo hexagonal de cabeza de copa extendida de rosca parcial M30-M48
Más especificaciones por favorHaga clic para verLa personalización no estándar se puede consultar con Wangwang~




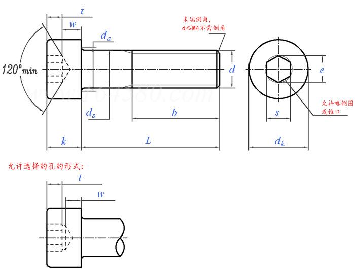
| marca | Bien | nombre | Pernos de cabeza hueca hexagonal de alta resistencia |
| calificación | 12.9 | Material | acero aleado |
| estándar | DIN912 | Especificación | M2-M48 (rosca completa/Medio diente) |
| tratamiento de superficies | Negro | Paquete | Bolsa/Caja de cartón |
| Dimensiones | Por ejemplo, M8*30, diámetro de rosca 8 mm*longitud del tornillo 30 mm (sin cabeza) | ||
| usar | Fijación de equipos como construcción, maquinaria, ferrocarril, aviación y barcos. | ||




















