

I. Introdução
Com o desenvolvimento da produção industrial e a melhoria contínua dos padrões de vida das pessoas, controlar a poluição do ambiente aquático e desenvolver e utilizar racionalmente os recursos hídricos tornaram-se tarefas urgentes. Por esse motivo, muitas unidades adotaram amplamente torres de resfriamento de FRP, um tipo de equipamento de circulação de resfriamento, para implementar o uso interno de água em circuito fechado, melhorando a taxa de reutilização e reduzindo efetivamente os custos. Ao mesmo tempo, transformaram em realidade o desejo de ajustar a temperatura, umidade, limpeza e impacto sonoro do ambiente circundante. As torres de resfriamento de FRP são leves, pequenas em tamanho, ocupam menos terreno e são esteticamente agradáveis. Além disso, são convenientes para transporte, instalação e manutenção. Portanto, são amplamente utilizadas em vários setores da economia nacional e são particularmente adequadas para sistemas de circulação de água de resfriamento em ar condicionado, refrigeração, estações de compressores de ar, fornos de aquecimento e processos de condensação.
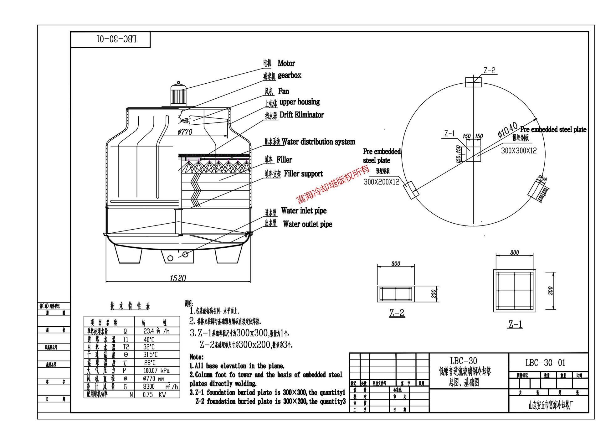
A torre de resfriamento LBC de fluxo cruzado circular FRP adota tecnologia de troca de calor ar-água de fluxo cruzado. O corpo principal é feito de estrutura de aço, e o revestimento é feito de painéis FRP. O enchimento adota chapas onduladas de escada inclinada de PVC para difundir a área de pulverização de água; através do método de distribuição de pulverização rotativa, obtém-se distribuição uniforme de água, melhorando o efeito de resfriamento. Nossa fábrica fez melhorias parciais no design exterior desta série de produtos para tornar a operação e a montagem mais convenientes.
2. Análise dos componentes da torre de resfriamento
1. Estrutura de aço da torre
Processado com tecnologia mecânica avançada, a resistência estrutural geral é alta e o estresse estrutural é razoável. A estrutura do corpo da torre tem o efeito de desempenho de estresse multidirecional, que pode efetivamente suportar cargas concentradas e cargas assimétricas, reduzindo a vibração da torre de resfriamento. Melhora a resistência ao vento e a resistência sísmica da torre de resfriamento e tem boa estabilidade geral.
2. Peças de fibra de vidro
O revestimento principal da torre é feito de fibra de vidro. As matérias-primas e auxiliares são resina e tecido de fibra de vidro, e a superfície é finalizada com resina gelcoat colorida. A superfície do produto de fibra de vidro tem uma cor uniforme e bonita.






Torre de resfriamento de fluxo cruzado quadrada

Torre de resfriamento de fluxo cruzado quadrada











Estrutura interna da torre de resfriamento



Torre de resfriamento em processamento
Produtos acabados em estoque

Torre de água de alta temperatura

Torre de água de alta temperatura


Motor

Redutor


Hélice do ventilador em material ABS
Folhas de vento de material ABS

Lâmina de ventilador de liga de alumínio




Distribuidor de água da torre de resfriamento (conexão de flange)

Distribuidor de água da torre de resfriamento (conexão rosqueada)


enchimento de PVC
Embalagem de polipropileno resistente a altas temperaturas




A Shandong Anqiu Fuhai Cooling Tower Factory está localizada a 20 quilômetros ao sul da National Highway 206 em Weifang, a capital mundial do kite. É uma empresa nacional especializada na produção de torres de resfriamento e produtos de fibra de vidro. Possui forte força técnica e equipamento de produção completo. Após a empresa concluir sua transformação em 2005, ela introduziu equipamentos avançados nacionais na mesma indústria e implementou a produção mecanizada e automatizada. Também é um fabricante profissional de vários produtos de séries de torres de resfriamento e grandes tanques de fibra de vidro.
Os principais produtos da empresa incluem: torres de resfriamento de contrafluxo redondas, torres de resfriamento de fluxo cruzado quadradas, torres de resfriamento de contrafluxo quadradas; várias especificações de tanques de armazenamento de FRP, tanques de equipamentos químicos padrão e outros equipamentos, e também empreende a produção de vários produtos amorfos de FRP. A empresa tem forte força técnica, instalações de produção completas, qualidade de produto confiável e serviço atencioso e atencioso. Com mais de 20 anos de experiência em pesquisa e produção de FRP, a empresa desenvolveu e produziu uma variedade de produtos de FRP, como séries de torres de resfriamento e séries de tanques de FRP, que foram amplamente elogiadas pelos clientes. Bem-vindo à sua visita e orientação.


