




Descrição do produto:

JGDA série de juntas de borracha flexíveis é usada principalmente para a conexão flexível de tubos de metal para transporte de líquidos, gases e outros materiais. Elas podem compensar o deslocamento, reduzir a vibração e o ruído, e são um novo produto de redução de vibração de borracha.
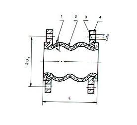
número de série | Localização | Material |
1 | Corpo Principal | Borracha polar |
2 | Resina | pano de náilon |
3 | esqueleto | Fio de aço duro |
4 | mesa | Aço macio |
A junta flexível de borracha é composta de uma parte de borracha reforçada com tecido e uma junta flexível plana, um flange de metal solto ou um flange de tubo roscado. É usada para isolamento de vibração de tubulação e redução de ruído e compensação de deslocamento. É uma junta de tubo com alta elasticidade, alta estanqueidade ao ar, resistência média e resistência às intempéries.
Principais especificações de desempenho
Pressão nominal (MPa) | 1,0 | 1.6 | |
Grau de vácuo | DN32-300 | 80 | 100 |
DN350-1200 |
|
| |
Pressão de teste (MPa) | 1,5 | 2.4 | |
Pressão de ruptura (MPa) | 3,0 | 4.8 | |
Temperatura aplicável (℃) | -15~115 (encomendas especiais podem chegar a -30~250) | ||
Mídia aplicável | Água, água do mar, ar, óleo, ácido fraco, álcali, etc. | ||
Tabela de dados principais do diâmetro nominal, comprimento, valor de deslocamento e flange
Diâmetro nominal | Comprimento (mm) | Deslocamento axial (mm) | Deslocamento lateral (mm) | Ângulo de deflexão (a1+a2) | ||
(milímetros) | (em.) | alongamento | compressão | |||
32 | (11/4) | 175 | 20 | 30 | 45 | 30° |
40 | (11/2) | 175 | 20 | 30 | 45 | 30° |
50 | 2 | 175 | 20 | 30 | 45 | 30° |
65 | (21/2) | 175 | 25 | 50 | 45 | 30° |
80 | (3) | 175 | 25 | 50 | 45 | 30° |
100 | (4) | 225 | 35 | 50 | 35 | 30° |
125 | (5) | 225 | 35 | 50 | 35 | 30° |
150 | (6) | 225 | 35 | 50 | 35 | 30° |
200 | (8) | 325 | 35 | 50 | 30 | 30° |
250 | (10) | 325 | 35 | 50 | 30 | 30° |
300 | (12) | 325 | 35 | 50 | 30 | 20° |
350 | (14) | 345 | 35 | 50 | 28 | 20° |
400 | (16) | 345 | 35 | 50 | 28 | 20° |
500 | (20) | 345 | 35 | 50 | 28 | 20° |


